加入购物车成功!
- 产品名称:LZ系列金属转子流量计
- 产品型号:LZ系列
- 生产厂家:上海天康仪表有限公司
- 产品特点:LZ系列金属转子流量计分就地指示型和智能远传型,具有指针显示瞬时流量,液晶显示瞬时、累计流量,标准4~20mA电流输出,上、下限报警,HART协议输出等多种功能,为不同的用户提供了广阔的选择空间。
LZ系列金属转子流量计LZ系列的产品详细介绍:
一、产品概述
金属转子流量计是工业自动化过程控制中常用的一种变面积流量测量仪表,具有体积小、检测范围大、使用方便的特点。可用于检测各类液体、气体的流量,特别适用于低流速、小流量的介质流量的测量。
金属转子流量计由测量管、浮子和指示器组成。浮子在测量管中自由的上下移动,改变管道中的流通面积。随着流量大小的变化,浮子在测量管中的垂直位置也发生相应的变化,通过磁性的传递系统将浮子位置准确传递到指示器的刻度盘上,指示流量值的变化。
LZ系列金属转子流量计分就地指示型和智能远传型,具有指针显示瞬时流量,液晶显示瞬时、累计流量,标准4~20mA电流输出,上、下限报警,HART协议输出等多种功能,为不同的用户提供了广阔的选择空间。
二、主要特点
●工作可靠,维护量少,使用寿命长
●1:10的较宽的量程比
●全金属结构,坚固稳定,适合高温、高压、强腐蚀性介质
●防爆设计结构适合易燃、易爆危险场合
●新型磁耦合传感器保证信号传输稳定可靠
●适合低流速小流量的介质流量的测量
●可加装磁过滤器
●智能型可选现场瞬时和累积流量显不
●可选二线制、电池供电方式
●可带保温、夹套设计
三、技术参数

四、分类与命名
LZ— | 金属管浮子流量计 | 备注 | |||||||||
Z | 基本型指示器 | 指示器 | |||||||||
D | 远传型指示器 | ||||||||||
-15 | DN15 | 公称 通径 | |||||||||
-25 | DN25 | ||||||||||
-40 | DN40 | ||||||||||
-50 | DN50 | ||||||||||
-80 | DN80 | ||||||||||
-100 | DN100 | ||||||||||
-150 | DN150 | ||||||||||
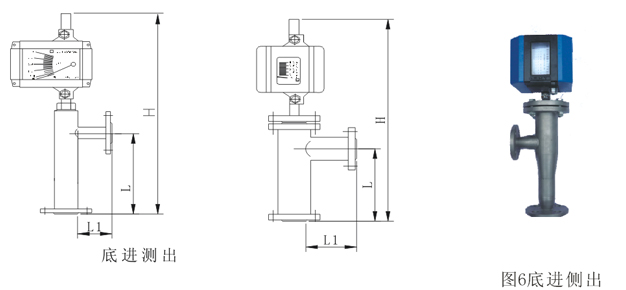
/ | 下进上出 | 结构 形式 | |||||||||
H1 | 左进右出 | ||||||||||
H2 | 右进左出 | ||||||||||
AA | 侧进侧出 | ||||||||||
LA | 底进侧出 | ||||||||||
S | 螺纹连接 | ||||||||||
M | 快速接头连接 | ||||||||||
R1 | 321不锈钢 | 本体 材质 | |||||||||
R4 | 304不锈钢 | ||||||||||
R6 | 316不锈钢 | ||||||||||
R6L | 316L不锈钢 | ||||||||||
Hc4 | 哈C合金 | ||||||||||
Ti | 钛 | ||||||||||
F | 内衬F46(PTFE) | ||||||||||
M7 | 线性指示器 | 指示器 类型 | |||||||||
M9 | 非线性指示器(就地指针显示瞬时流量) | ||||||||||
ESK | 24VDC;远传4-20mA标准电流信号 | 组合 功能 | |||||||||
ESK-Z | 24VDC;远传4-20mA;现场LCD显示瞬时及累计流量 | ||||||||||
ESK-D | 现场锂电池供电;LCD显示瞬时及累计流量 | ||||||||||
K1 | 带一上线报警点信号 | ||||||||||
K2 | 带下上线报警点信号 | ||||||||||
K12 | 带一上线和一下线报警点信号 | ||||||||||
Ex | 本安防爆 | 防爆 类型 | |||||||||
Exd | 隔爆 | ||||||||||
L | 液体 | 测量介 质分类 | |||||||||
G | 气体 | ||||||||||
T | 测量管带有保温/隔热夹套 | 增加 功能 | |||||||||
HT | 测量介质温度大于120°高温 | ||||||||||
五.测量范围(金属转子流量计)
| 通径 (mm) | 流量范围 | ***大压力损失(kPa) | 精度 | ||||
水L/h | 空气m3/h | ||||||
普通型 | 防腐型 | 普通型 | 防腐型 | 水 | 气体 | ||
15 | 2.5~25 | 2.5~25 | 0.07~0.7 | 0.07~0.7 | 6.5 | 7.1 | 2.5 |
4.0~40 | 4.0~40 | 0.11~1.1 | 0.11~1.1 | 7.2 | |||
6.3~63 | 6.3~63 | 0.18~1.8 | 18~1.8 | 6.6 | 7.3 | ||
10~100 | 10~100 | 0.28~2.8 | 0.28~2.8 | 7.5 | |||
16~160 | 16~160 | 0.4~4.0 | 0.4~4.0 | 6.8 | 8.0 | ||
25~250 | 25~250 | 0.7~7.0 | 0.7~7.0 | 7.2 | 10.8 | ||
40~400 | 40~400 | 1.0~10 | 1.0~10 | 8.6 | 10.0 | ||
63~630 | ———— | 1.6~16 | ———— | 11.1 | 14.0 | ||
25 | 100~1000 | 63~630 | 3.0~30 | 1.6~16 | 7.0 | 7.7 | |
160~1600 | 100~1000 | 4.5~45 | 3.0~30 | 8.0 | 8.8 | ||
250~2500 | 160~1600 | 7.0~70 | 4.5~45 | 10.8 | 12.0 | ||
400~4000 | 250~2500 | 11~110 | 7.0~70 | 15.8 | 19.0 | ||
50 | 630~6300 | 400~4000 | 18~180 | 11~110 | 8.1 | 8.6 | |
1000~10000 | 630~6300 | 25~250 | 18~180 | 11.0 | 10.4 | ||
1600~16000 | 1000~10000 | 40~400 | 25~250 | 17.0 | 15.5 | ||
80 | 2500~25000 | 1600~16000 | 60~600 | 40~400 | 8.1 | 8.0 | |
4000~40000 | 2500~25000 | 100~1000 | 60~600 | 9.5 | 13.0 | ||
100 | 6300~63000 | 4000~40000 | 200~2000 | 100~1000 | 10.0 | 11.0 | |
10000~100000 | ———— | 300~3000 | ———— | ||||
注1:可根据要求加工表中未列的测量范围的流量计
注2:特殊标定为1.5级
注3:特殊规格可定做
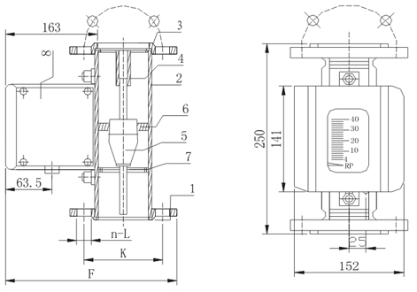
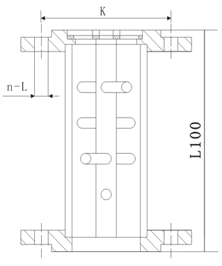
六、连接方式

七、安装尺寸







八、报警开关
电远传信号技术参数与接线
预值报警开关传感器
B1、B2、B3、B4指示器可以安装1或2个预值报警开关传感器。

二线制开关需要连接WE77晶体管放大器或相当产品才能输出开关信号。
三线制开关需要10—30VDC的电压供电,通过内置信号放大器输出开关信号,与PLC直接应用。
九、电气接线图

十、磁过滤器尺寸表















